Company
Reachdesk
Role in project
Product Designer
Responsibilities
I worked as a Product Designer embedded across multiple teams, leading the UX strategy for the campaign setup experience.
Because of my previous work across the platform, I had strong context on adjacent flows and dependencies, which helped bridge gaps between teams and domains.

  • UX strategy and flow ownership
  • User research with customers and internal teams
  • Persona definition and scenario mapping
  • End-to-end flow redesign
  • Stakeholder alignment across Product, Design, Engineering, and Customer Success
  • Planning and coordination across multiple delivery teams
Year
2023/2024
About this projects

Simplifying one of the most critical workflows in a SaaS platform

Reachdesk is a SaaS platform that enables companies to engage prospects, customers, and employees through personalized gifting and direct mail campaigns.

Creating a campaign is the most critical and complex flow on the platform. It defines all the rules, settings, and constraints for sending gifts, and directly impacts adoption, revenue, and customer satisfaction.

Over time, this flow became increasingly fragmented. Multiple teams added features without a shared structure, the codebase relied on deprecated patterns, and customers struggled to complete setups independently. As a result, Customer Success Managers frequently had to create campaigns on behalf of users.

Improving this flow became a strategic priority to support company growth and increase gifting adoption.

Understanding the problem

Making sense of a grey area

Despite being the most critical flow, campaign setup was poorly understood across teams. The first step was to identify user pain points and system constraints.

We interviewed customers and Customer Success Managers, reviewed feedback and feature requests stored in Productboard, and mapped recurring issues. This helped us frame the problem space and align on what needed to change.

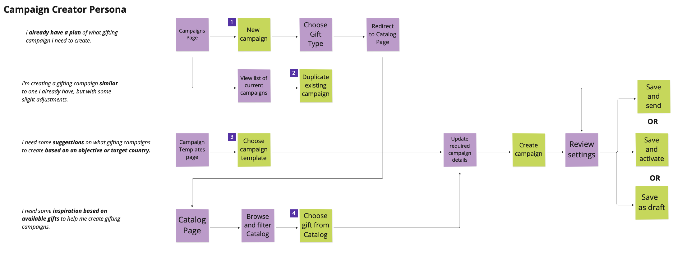
Personas

Designing for distinct needs and responsibilities

Campaigns could be created by different user roles, but admins and campaign managers were the primary users for this flow.

We defined personas to better understand motivations, responsibilities, and constraints, which helped us design flows that worked across scenarios without overwhelming users.

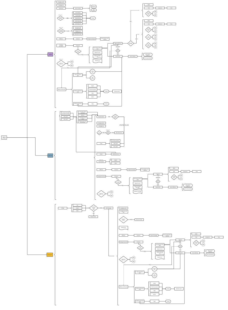
Untangling complexity

Mapping campaign types and dependencies

Campaign creation involved multiple layers of complexity:
• Manual vs triggered campaigns
• Different gift types such as bundles, eGift cards, and marketplace items
• Shared settings and highly specific configurations

To make this manageable, I collaborated closely with engineers, QAs, and engineering managers to map all dependencies into a comprehensive flowchart. This artifact became critical for aligning teams and understanding the scope of change required.

Benchmarking

Learning from others to define our own approach

We analyzed direct and indirect competitors to understand how they handled campaign-like concepts, where they simplified decisions, and how they communicated dependencies.

The goal was not to copy solutions, but to extract patterns that could help us define a clearer and more intuitive campaign model for Reachdesk.

Defining the new flow

Turning configuration into a story

With a solid understanding of problems, dependencies, and benchmarks, we mapped all existing and new features into a structured flow.

Settings were grouped by intent and named using language customers could immediately recognize. The goal was to help users understand what they needed to configure, why it mattered, and how settings related to one another.

Multiple iterations were reviewed with stakeholders including the VP of Product, Engineering leadership, Customer Success, and Design before reaching a final structure.

Planning and coordination

Designing across teams without losing momentum

Given the scale of the work, delivery required careful coordination.

Together with the PM and EM, we created a shared planning document to track:
• Design progress and validations
• Dependencies across teams
• Requirements, rules, and default values
• Copy decisions and edge cases

This artifact helped keep teams aligned and reduced gaps during handoff and development.

Quick win

Validating assumptions early

Before committing to a full UI redesign, we tested a hypothesis that unclear copy and poor grouping were major contributors to confusion.

We restructured content and copy using the existing UI, and engineers implemented these changes quickly. Early feedback from customers and CSMs confirmed a noticeable improvement, validating our direction before deeper investment.

Design execution

Improving clarity without increasing engineering cost

The new UI was built using existing design system components, focusing on improving hierarchy, grouping, and interaction clarity rather than introducing entirely new patterns.

Design reviews and continuous feedback from designers, engineers, stakeholders, customers, and CSMs were essential throughout the process.

Research in parallel

Observing real behavior at scale

Quantitative and qualitative research ran alongside design work.

Mixpanel data helped establish baselines for how long users took to create campaigns. Hotjar recordings revealed real-world behaviors, friction points, and recurring struggles.

Insights were documented and shared across teams, helping inform decisions beyond design alone.

Validation & delivery strategy

Turning validated designs into shipped solutions

As designs matured, we validated solutions using Maze to gather both qualitative and quantitative feedback.

This combination of internal feedback, customer input, behavioral data, and usability testing allowed us to confidently defend design decisions to stakeholders.

After design approval, we worked with Product and Engineering to define a phased delivery approach.

This included:
• Breaking work into manageable releases
• Coordinating dependencies across teams
• Supporting engineering with PRDs and design validation
• Participating in QA reviews to ensure quality

Expected impact

+40%

adoption across all customer types

$175k

in usage-based revenue

20%

reduction in time to create a campaign

40%

fewer campaigns created by CSMs on behalf of customers

25%

fewer support tickets related to campaign setup

Key learnings

This project pushed me out of my comfort zone and significantly strengthened my ability to lead complex initiatives.

It reinforced the value of deep collaboration, structured thinking, and continuous validation when tackling highly complex workflows. Turning a fragmented, hard-to-maintain flow into a clearer and more scalable experience required not just design skills, but strong communication, organization, and persistence.

Stay connected

Social media

© 2026 platzchen · All rights reserved